RFID技术的无线传感器网络节点管理系统
为了解决无线传感网通常运行在人不能或不便接近的环境,能源无法替代的问题,该系统采用了单片机MSP430F2370芯片和少量外围电路等来构成完整测量系统。由于其充分利用了单片机内部资源,使系统硬、软件设计达到了最小化,具有识别可靠性高、抗干扰能力强、成本低廉和体积小巧等特点。它可以识别ISO15693,ISO14443A,ISO14443B等多种协议标准的电子标签。在今后的门禁系统、生产线检测、自动收费系统、超市物流等方面有很大的应用前景。
物联网与无线传感器网络是当前在国际上备受关注的、涉及多学科高度交叉、知识高度集成的前沿热点研究领域。物联网能够获取客观物理信息,具有十分广阔的应用前景,能应用于军事国防、工农业控制、城市管理、生物医疗、环境检测、抢险救灾、危险区域远程控制等领域,被认为是对21世纪产生巨大影响力的技术之一。
因此,我们提出了一种基于物联网技术的多标准RFID设别设备,此设备可以实时自动识别物品的RFID电子标签内信息,具有识别可靠性高,信息处理能力强,功耗小,保密性强。再结合无线传感器网络技术的信息传输,可实现无线网络环境下的信息应用,本实用新型的应用将会越来越广泛,对于物联网技术和无线传感器网络技术有重要的理论意义和应用价值。
射频识别节点的硬件系统
● 射频识别节点的结构
如下图为射频识别节点的结构:它包括:1) USB转串口单元;2) RFID射频识别控制单元;3) RFID读头前端单元;4) 和无线射频收发单元。射频前端和标签间一般采用半双工通信方式进行信息交换,同时通过耦合给无源应答器提供能量和时序。在实际应用中,可进一步通过Eth-ernet或WLAN等实现对物体识别信息的采集、处理及远程传送等管理功能。
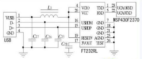
● USB转串口和射频识别控制单元
USB转串口单元和RFID射频识别控制单元连接如下图所示。其工作原理为:用户可以通过USB接口把模块与PC机连接,通过USB转串口单元发送命令到射频识别控制单元,同时射频识别控制单元可以通过USB转串口单元把数据传输到PC机上进行数据处理。
● RFID读头前端单元
下图给出了本实用新型的核心控制电路,其工作过程是:TRF7960通过SPI口与MSP430F2370通信。当读头前端检测到有效标签,IRQ就置高电平,TRF7960与MSP430F2370的SPI通信有效,射频识别控制单元把数据存储在数据寄存器中以便向PC机发送。同时射频识别控制单元根据不同的数据帧结构执行相应的数据处理函数,判断出不同协议的标签,通过外接的LED灯指示出不同标准的标签。
标签:RFID资产管理模块、RS485射频模块、超高频手持机、超高频读写器、超高频数据采集器、超高频数据采集终端、超高频设备、RFID超高频、RFID系统、养殖系统、食品质量安全追溯系统、生产线系统、养殖追溯系统、生产线管理系统、养殖追溯RFID管理系统、生产线RFID管理系统、食品质量安全追溯系统、RFID食品质量安全追溯系统、生产线RFID智能管理系统、生产线RFID自动化管理系统、生产RFID系统、仓库RFID系统、资产RFID系统、RFID解决方案、汽车生产RFID系统、饮料RFID追溯系统、食品质量追溯RFID系统、固定资产RFID系统、物联网技术、物联网、传感网、高品质物联网、RFID打印机、电子标签、猪耳标、牛耳标、羊耳标、鸡鸭脚环、鸽子脚环、玻璃管标签、进口玻璃管电子标签、钉子标签、巡更标签、异形标签、不干胶电子标签、植物管理RFID标签、动物管理RFID标签、RFID标签、RFID电子标签、植入式电子标签、电子耳标、RFID溯源耳标、RFID动物耳标、兔子耳标、兽用耳标、耳标、牛羊耳标、tpu耳标、畜牧耳标图片、RFID 、RFID价格、RFID读写器、RFID模块、RFID读卡器、RFID阅读器、RFID设备、RFID手持机、RFID采集器、RFID终端设备、低频RFID等等
如需了解更多,请拨打全国统一热线:020-29864643




